您好,欢迎光临五星减速机官方网站
泰兴减速机
泰兴减速机
全国资讯热线
180-5158-8681
联系我们
  • 泰兴市五星减速机有限公司
  • 全国咨询热线:13961727364
  • 电话:13665111010
  •  13301513286           18936067098             13812008636
  • 2956337667@qq.com 

  • http://www.wu-xing.cn   

产品中心

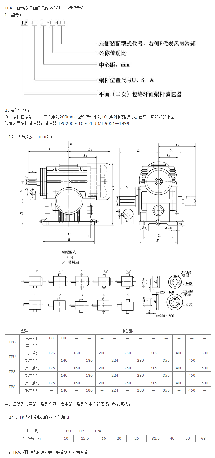
TPA平面包络环面蜗杆减速器
产品名称:TPA平面包络环面蜗杆减速器
产品介绍:

     TPA平面包络环面蜗杆减速器,泰兴五星减速机2000多种常用型号均有货,可以当天发货,如果不满意可以完全退货。

 


下一页:TPS平面包络环面蜗杆减速器
    
同类推荐