2956337667@qq.com
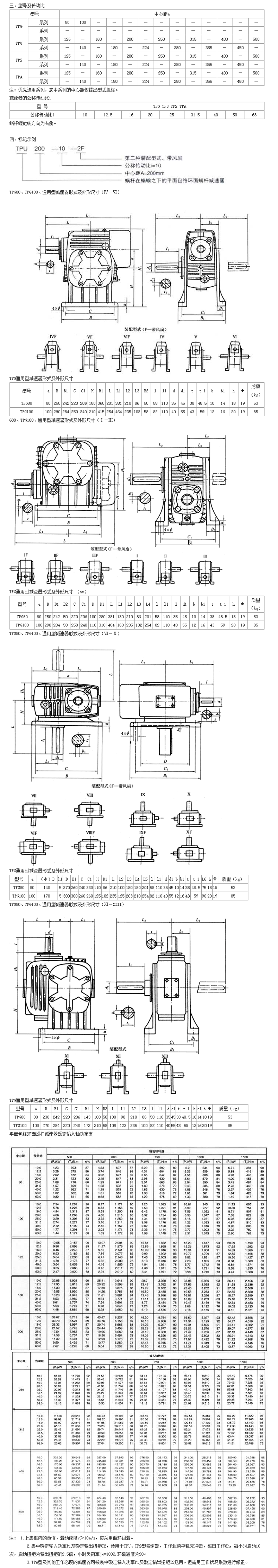
TPG平面包络环面蜗杆减速器,泰兴五星减速机2000多种常用型号均有货,可以当天发货,如果不满意可以完全退货。
E-mail:2956337667@qq.com http://www.wu-xing.cn
备案号: 苏ICP备13008922号-2 版权归本泰兴五星减速机有限公司所有,未经授权,任何其他公司或个人均不允许来复制、抄袭!公司法律顾问:江苏金匮律师事务所