您好,欢迎光临五星减速机官方网站
泰兴减速机
泰兴减速机
全国资讯热线
180-5158-8681
联系我们
  • 泰兴市五星减速机有限公司
  • 全国咨询热线:13961727364
  • 电话:13665111010
  •  13301513286           18936067098             13812008636
  • 2956337667@qq.com 

  • http://www.wu-xing.cn   

产品中心

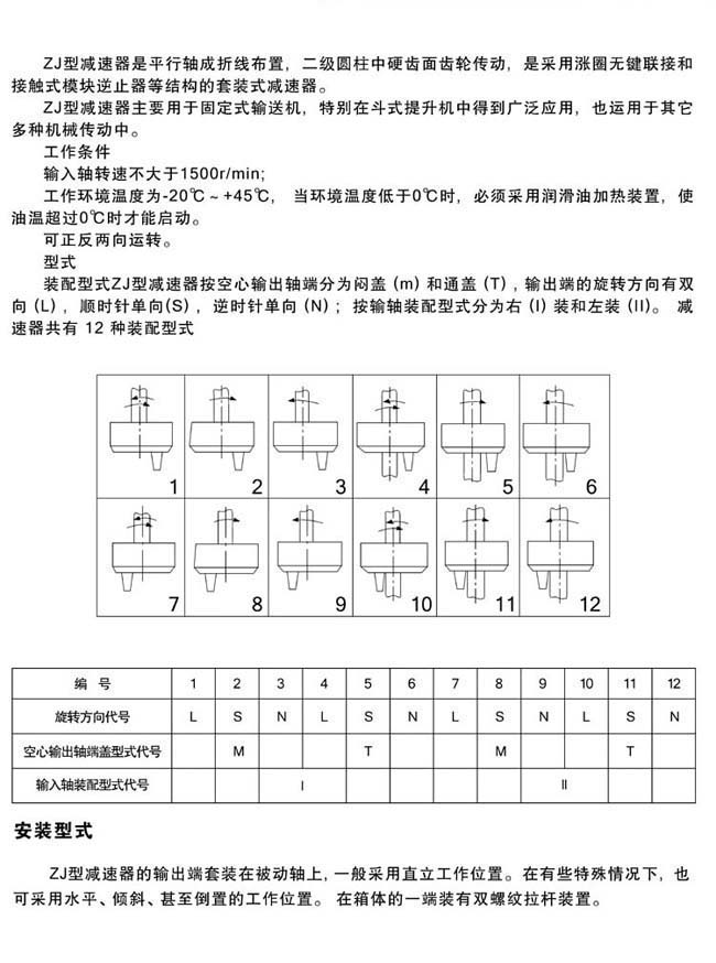
ZJ型专用齿轮减速器
产品名称:ZJ型专用齿轮减速器
产品介绍:

     ZJ系列轴装式齿轮减速机,泰兴五星减速机2000多种常用型号均有货,可以当天发货,如果不满意可以完全退货。

上一页:CJY斜齿轮减速电机
下一页:TW、TWC系列轴装式减速机
    
同类推荐