- 泰兴市五星减速机有限公司
- 全国咨询热线:13961727364
- 电话:13665111010
- 13301513286 18936067098 13812008636
- http://www.wu-xing.cn
产品中心
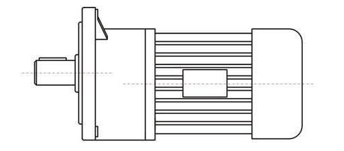
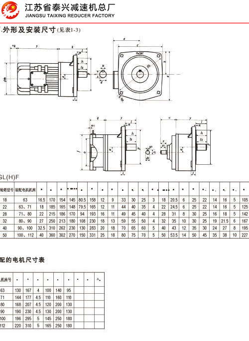
G系列小型齿轮减速机

产品名称:G系列小型齿轮减速机
产品介绍:
1、全封闭全寿命机电一体化设计
2、硬齿面斜齿轮传动、低噪音、高效率
3、整体结构紧凑、重量轻、适应性强
4、可附加电磁制动器
安装形式:W-底脚式 F-法兰式





下一页:KS系列螺旋伞齿轮减速马达
![]() |
同类推荐






