- 泰兴市五星减速机有限公司
- 全国咨询热线:13961727364
- 电话:13665111010
- 13301513286 18936067098 13812008636
- http://www.wu-xing.cn
产品中心

辊道马达减速器,泰兴五星减速机2000多种常用型号均有货,可以当天发货,如果不满意可以完全退货。

辊道电机减速器特点
辊道电机减速器(JB/T 5562一1991)采取电动机和减速器直联式,由电动机直接驱动圆柱齿轮减速器或行星齿轮减速器进行传动,包括YZD、YGL、YZL、YGX、YZX五种型式,机电合为一体,结构紧凑,体积小,安装方便,可靠性高,使用寿命长。主要适用于轧机(传动比i≤12.5)及连铸机(i≥25)单独传动运输辊道,其负荷特性为启动较频繁,带负荷启动,且正、反两向运转,也可用于其他负荷相似或较轻的机械传动。工作环境温度为-40~50℃,低于0℃时,启动前应预热,高于40℃时,应采取降温措施。
辊道电机减速器的型号与标记
(1)YZD型一YZG型电机(Y系列辊道专用三相异步电机)与单级圆柱齿轮减速器组成的辊道电机减速器。
(2)YGL型一YGAG型电机(Y系列辊道专用三相异步电机)与二级圆柱齿轮减速器组成的辊道电机减速器。
(3)YZL型一YZG型电机与二级圆柱齿轮减速器组成的辊道电机减速器。
(4)YGX型一YGAG型电机与行星齿轮减速器组成的辊道电机减速器。
(5)YZX型一YZG型电机与行星齿轮减速器组成的辊道电机减速器。
2. 标记

YZD、YGL、YZL、YGX、YZX辊道电机减速器实体模型

YZD型辊道减速机实体模型 YGL、YZL型辊道减速机实体模型

YGX、YZX型辊道减速机实体模型
YZD型辊道电机减速器主要尺寸

型号
|
a
|
L
|
B
|
H
|
L1
|
L2
|
L3
|
L4
|
L5
|
B1
|
B2
|
B3
|
H1
|
H2
|
D(m6)
|
l
|
b
|
t
|
d
|
质量/kg
|
YZD112M107
|
75
|
≤480
|
250
|
330
|
85
|
192
|
305
|
140
|
235
|
190
|
125
|
125
|
190
|
15
|
35
|
58
|
10
|
38
|
12
|
70
|
YZD132M110
|
100
|
≤633
|
275
|
355
|
115
|
270
|
401
|
178
|
260
|
216
|
140
|
145
|
236
|
17
|
45
|
82
|
14
|
48.5
|
12
|
119
|
YZD132M210
|
100
|
≤633
|
275
|
355
|
115
|
270
|
401
|
178
|
260
|
216
|
140
|
145
|
236
|
17
|
45
|
82
|
14
|
48.5
|
12
|
125
|
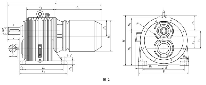
YGL、YZL型减速器主要尺寸

型号
|
中心距
|
L
≤
|
B
|
H
|
L1
|
L2
|
L3
|
L4
|
L5
|
B1
|
B2
|
B3
|
H1
|
H2
|
H3
|
H4
|
H5
|
H6
|
R
|
D
(m6)
|
l
|
b
|
t
|
d
|
质量m/kg
|
|
高速级a1
|
低速级a2
|
|||||||||||||||||||||||||
YGL132M117
|
75
|
100
|
695
|
320
|
333
|
158
|
392
|
30
|
270
|
330
|
250
|
70
|
220
|
200
|
120
|
132
|
265
|
28
|
133
|
155
|
45
|
82
|
14
|
48.5
|
24
|
150
|
YGL132M217
|
75
|
100
|
695
|
320
|
333
|
158
|
392
|
30
|
270
|
330
|
250
|
70
|
220
|
200
|
120
|
132
|
265
|
28
|
133
|
155
|
45
|
82
|
14
|
48.5
|
24
|
160
|
YGL160L127
|
118
|
150
|
975
|
482
|
460
|
217
|
568
|
33
|
350
|
410
|
380
|
90
|
250
|
300
|
145
|
160
|
315
|
32
|
160
|
218
|
65
|
105
|
18
|
69
|
28
|
350
|
YGL180L127
|
118
|
150
|
955
|
482
|
485
|
217
|
548
|
33
|
350
|
410
|
380
|
90
|
290
|
300
|
145
|
185
|
370
|
32
|
160
|
218
|
65
|
105
|
18
|
69
|
28
|
378
|
YZL132M117
|
75
|
100
|
734
|
320
|
333
|
158
|
431
|
30
|
270
|
330
|
250
|
70
|
—
|
200
|
120
|
143
|
285
|
28
|
133
|
155
|
45
|
82
|
14
|
48.5
|
24
|
142
|
YZL132M217
|
75
|
100
|
734
|
320
|
333
|
158
|
431
|
30
|
270
|
330
|
250
|
70
|
—
|
200
|
120
|
143
|
285
|
28
|
133
|
155
|
45
|
82
|
14
|
48.5
|
24
|
154
|
YZL160M127
|
118
|
150
|
876
|
480
|
460
|
217
|
464
|
33
|
350
|
410
|
380
|
90
|
—
|
300
|
145
|
163
|
325
|
32
|
160
|
218
|
65
|
105
|
18
|
69
|
28
|
272
|
YZL160M227
|
118
|
150
|
876
|
480
|
460
|
217
|
464
|
33
|
350
|
410
|
380
|
90
|
—
|
300
|
145
|
163
|
325
|
32
|
160
|
218
|
65
|
105
|
18
|
69
|
28
|
285
|
YGX、YZX型减速器主要尺寸

型号
|
L
≤
|
B
|
H
|
L1
|
L2
|
L3
|
L4
|
L5
|
B1
|
B2
|
B3
|
H1
|
H2
|
H3
|
H4
|
R
|
D
(m6)
|
l
|
b
|
t
|
d
|
质量m/kg
|
YGX132M111
|
698
|
280
|
307
|
268
|
340
|
33
|
190
|
240
|
220
|
60
|
220
|
140
|
265
|
132.5
|
22
|
133
|
50
|
82
|
14
|
53.5
|
20
|
142
|
YGX132M211
|
698
|
280
|
307
|
268
|
340
|
33
|
190
|
240
|
220
|
60
|
220
|
140
|
265
|
132.5
|
22
|
133
|
50
|
82
|
14
|
53.5
|
20
|
158
|
YGX132M121
|
716
|
305
|
325
|
286.5
|
340
|
25.5
|
205
|
265
|
235
|
65
|
220
|
140
|
265
|
132.5
|
25
|
140
|
60
|
105
|
18
|
64
|
25
|
165
|
YGX132M221
|
716
|
305
|
325
|
286.5
|
340
|
25.5
|
205
|
265
|
235
|
65
|
220
|
140
|
265
|
132.5
|
25
|
140
|
60
|
105
|
18
|
64
|
25
|
181
|
YGX160L141
|
978
|
380
|
425.5
|
373
|
486
|
48
|
250
|
310
|
320
|
75
|
250
|
180
|
315
|
157.5
|
33
|
180
|
80
|
130
|
22
|
85
|
28
|
323
|
YGX132M122
|
825
|
305
|
325
|
382
|
340
|
27
|
280
|
340
|
235
|
65
|
220
|
140
|
265
|
132.5
|
25
|
140
|
60
|
105
|
18
|
64
|
25
|
167
|
YGX132M242
|
907
|
380
|
425.5
|
465
|
340
|
40
|
355
|
415
|
320
|
75
|
220
|
180
|
265
|
132.5
|
33
|
180
|
75
|
105
|
20
|
79.5
|
28
|
238
|
YGX160L152
|
1195
|
420
|
465
|
590
|
486
|
62
|
445
|
535
|
360
|
75
|
250
|
200
|
315
|
157.5
|
35
|
200
|
90
|
130
|
25
|
95
|
28
|
446
|
YZX132M121
|
746
|
305
|
363
|
286.5
|
370
|
25.5
|
205
|
265
|
235
|
65
|
— | 140
|
285
|
142.5
|
25
|
140
|
60
|
105
|
18
|
64
|
25
|
153
|
YZX132M221
|
746
|
305
|
363
|
286.5
|
370
|
25.5
|
205
|
265
|
235
|
65
|
—
|
140
|
285
|
142.5
|
<, ;, ;, ;, DIV align=center ke-onselect="null">25 | 140
|
60
|
105
|
18
|
64
|
25
|
155
|
YZX160M141
|
945
|
380
|
440
|
373
|
453
|
48
|
250
|
310
|
320
|
75
|
—
|
180
|
325
|
162.5
|
33
|
180
|
80
|
130
|
22
|
85
|
28
|
247
|
YZX132M242
|
946
|
380
|
403
|
465
|
370
|
40
|
355
|
415
|
320
|
75
|
—
|
180
|
285
|
142.5
|
33
|
180
|
75
|
105
|
20
|
79.5
|
28
|
222
|
YZX160M152
|
1061
|
420
|
465
|
590
|
365
|
62
|
445
|
535
|
360
|
75
|
—
|
200
|
325
|
162.5
|
35
|
200
|
90
|
130
|
25
|
95
|
28
|
360
|
YZD、YGL、YZL、YGX、YZX型减速器的承载能力
型号
|
电 机
|
减速器
|
|||||||||||||
型号
|
功率
P/kW
|
转速n/
r·min-1
|
转矩/N·m
|
公称传动比iN
|
|||||||||||
1.4
|
1.6
|
1.8
|
2
|
2.24
|
|||||||||||
额定
MH
|
启动
Mn
|
按电机转矩计算的输出转矩/N·m
|
|||||||||||||
MT
|
MQ
|
MT
|
MQ
|
MT
|
MQ
|
MT
|
MQ
|
MT
|
MQ
|
||||||
YZD112M107
|
YZG112M1
|
1.5
|
920
|
15.5
|
37.9
|
20.5
|
49.9
|
23.5
|
56.8
|
26.4
|
64.6
|
29.4
|
71.5
|
32.3
|
80.3
|
YZD132M110
|
YZG132M1
|
2.2
|
908
|
23.1
|
57
|
31.0
|
76.6
|
35.5
|
87.6
|
39.9
|
98.5
|
44.4
|
109.4
|
49.7
|
122.6
|
YZD132M210
|
YZG132M2
|
3.7
|
915
|
38.5
|
96
|
51.7
|
129.0
|
59.1
|
147.5
|
66.5
|
165.9
|
73.9
|
184.3
|
82.8
|
206.4
|
YGL132M117
|
YGAG132M1
|
1.7
|
830
|
19.5
|
48
|
25.7
|
63.2
|
29.3
|
72.2
|
33.0
|
81.2
|
36.7
|
90.2
|
41.1
|
101.1
|
YGL132M217
|
YGAG132M2
|
2.2
|
840
|
24.9
|
67
|
32.7
|
88.2
|
37.4
|
100.8
|
42.1
|
113.4
|
46.8
|
126.0
|
52.4
|
141.1
|
YGL160L127
|
YGAG160L1
|
4
|
600
|
60
|
150
|
78.9
|
197.4
|
90.2
|
225.6
|
101.5
|
253.8
|
112.8
|
282.0
|
126.3
|
315.8
|
YGL180L127
|
YGAG180L1
|
6.7
|
615
|
112
|
280
|
147.4
|
368.5
|
168.4
|
421.1
|
189.5
|
473.8
|
210.6
|
526.4
|
235.8
|
589.6
|
YZL132M117
|
YZG132M1
|
2.2
|
908
|
23.1
|
57
|
30.4
|
75.0
|
34.7
|
85.7
|
39.1
|
96.4
|
43.4
|
107.2
|
48.6
|
120.0
|
YZL132M217
|
YZG132M2
|
3.7
|
915
|
38.5
|
96
|
50.6
|
126.3
|
57.9
|
144.4
|
65.1
|
162.4
|
72.4
|
110.5
|
81.1
|
202.1
|
YZL160M127
|
YZG160M1
|
5.8
|
927
|
59.7
|
149
|
78.6
|
196.1
|
89.8
|
224.1
|
101.0
|
252.1
|
112.2
|
280.1
|
125.7
|
313.7
|
YZL160M227
|
YZG160M2
|
7.5
|
940
|
76.1
|
190
|
100.1
|
250.0
|
114.5
|
285.8
|
128.8
|
321.5
|
143.1
|
357.2
|
160.2
|
400.1
|
型号
|
电 机
|
减速器
|
|||||||||||||
型号
|
功率
P/kW
|
转速n/
r·min-1
|
转矩/N·m
|
公称传动比iN
|
|||||||||||
2.5
|
2.8
|
3.15
|
3.55
|
4
|
|||||||||||
额定
MH
|
启动
Mn
|
按电机转矩计算的输出转矩/N·m
|
|||||||||||||
MT
|
MQ
|
MT
|
MQ
|
MT
|
MQ
|
MT
|
MQ
|
MT
|
MQ
|
||||||
YZD112M107
|
YZG112M1
|
1.5
|
920
|
15.5
|
37.9
|
36.2
|
89.1
|
41.6
|
99.9
|
46.3
|
113.4
|
—
|
—
|
—
|
—
|
YZD132M110
|
YZG132M1
|
2.2
|
908
|
23.1
|
57
|
55.4
|
136.8
|
62.1
|
153.2
|
69.8
|
172.4
|
—
|
—
|
—
|
—
|
YZD132M210
|
YZG132M2
|
3.7
|
915
|
38.5
|
96
|
92.4
|
230.4
|
103.5
|
258.0
|
116.4
|
290.3
|
—
|
—
|
—
|
—
|
YGL132M117
|
YGAG132M1
|
1.7
|
830
|
19.5
|
48
|
45.8
|
112.8
|
51.3
|
126.3
|
57.7
|
142.1
|
65.1
|
160.2
|
73.3
|
180.5
|
YGL132M217
|
YGAG132M2
|
2.2
|
840
|
24.9
|
67
|
58.5
|
157.5
|
65.5
|
176.3
|
73.7
|
198.4
|
83.1
|
223.6
|
93.6
|
252.0
|
YGL160L127
|
YGAG160L1
|
4
|
600
|
60
|
150
|
141.0
|
352.5
|
157.9
|
394.8
|
177.7
|
444.2
|
200.2
|
500.6
|
225.6
|
564.0
|
YGL180L127
|
YGAG180L1
|
6.7
|
615
|
112
|
280
|
263.2
|
658.0
|
294.8
|
736.9
|
331.6
|
829.1
|
373.7
|
934.4
|
421.1
|
1052.8
|
YZL132M117
|
YZG132M1
|
2.2
|
908
|
23.1
|
57
|
54.3
|
134.0
|
60.8
|
150.0
|
68.4
|
168.8
|
77.1
|
190.2
|
86.9
|
214.3
|
YZL132M217
|
YZG132M2
|
3.7
|
915
|
38.5
|
96
|
90.5
|
225.6
|
101.3
|
252.7
|
114.0
|
284.3
|
126.5
|
320.4
|
145.0
|
360.9
|
YZL160M127
|
YZG160M1
|
5.8
|
927
|
59.7
|
149
|
140.3
|
350.1
|
157.1
|
392.2
|
176.8
|
440.4
|
99.2
|
247.2
|
224.5
|
560.2
|
YZL160M227
|
YZG160M2
|
7.5
|
940
|
76.1
|
190
|
178.8
|
446.8
|
200.3
|
500.1
|
225.3
|
562.6
|
253.9
|
634.0
|
286.1
|
714.4
|
型号
|
电 机
|
减速器
|
||||||||||||||
型号
|
功率
P/kW
|
转速
n/
r·min-1
|
转矩
/N·m
|
公称传动比iN
|
||||||||||||
4.5
|
5
|
5.6
|
6.3
|
1.4
~3.15
|
3.55
~5.6
|
6.3
~8
|
||||||||||
额定
MH
|
启动
Mn
|
按电机转矩计算的输出转矩/N·m
|
按齿轮承载能力计算
的额定输出转矩
M2/N·m
|
|||||||||||||
MT
|
MQ
|
MT
|
MQ
|
MT
|
MQ
|
MT
|
MQ
|
|||||||||
YZD112M107
|
YZG112M1
|
1.5
|
920
|
15.5
|
37.9
|
—
|
—
|
—
|
—
|
—
|
—
|
—
|
—
|
93.1
|
—
|
—
|
YZD132M110
|
YZG132M1
|
2.2
|
908
|
23.1
|
57
|
—
|
—
|
—
|
—
|
—
|
—
|
—
|
—
|
235.2
|
—
|
—
|
YZD132M210
|
YZG132M2
|
3.7
|
915
|
38.5
|
96
|
—
|
—
|
—
|
—
|
—
|
—
|
—
|
—
|
235.2
|
—
|
—
|
YGL132M117
|
YGAG132M1
|
1.7
|
830
|
19.5
|
48
|
82.5
|
203.0
|
91.7
|
225.6
|
102.6
|
252.7
|
115.5
|
284.2
|
196
|
343
|
441
|
YGL132M217
|
YGAG132M2
|
2.2
|
840
|
24.9
|
67
|
105.3
|
283.4
|
117.0
|
315.0
|
131.0
|
352.7
|
147.5
|
396.8
|
196
|
343
|
441
|
YGL160L127
|
YGAG160L1
|
4
|
600
|
60
|
150
|
253.8
|
634.5
|
282.0
|
705.0
|
315.8
|
789.6
|
355.3
|
888.3
|
911
|
1421
|
1617
|
YGL180L127
|
YGAG180L1
|
6.7
|
615
|
112
|
280
|
473.8
|
1184.4
|
526.4
|
1316.0
|
589.6
|
1473.9
|
663.3
|
1658.2
|
911
|
1421
|
1617
|
YZL132M117
|
YZG132M1
|
2.2
|
908
|
23.1
|
57
|
97.7
|
241.1
|
108.6
|
267.9
|
121.6
|
300.0
|
136.8
|
337.6
|
196
|
343
|
441
|
YZL132M217
|
YZG132M2
|
3.7
|
915
|
38.5
|
96
|
162.9
|
406.1
|
181.0
|
451.2
|
202.7
|
505.3
|
228.0
|
568.5
|
196
|
343
|
441
|
YZL160M127
|
YZG160M1
|
5.8
|
927
|
59.7
|
149
|
252.5
|
630.3
|
280.6
|
700.3
|
314.3
|
784.3
|
353.5
|
882.4
|
911
|
1421
|
1617
|
YZL160M227
|
YZG160M2
|
7.5
|
940
|
76.1
|
190
|
321.9
|
803.7
|
351.7
|
893.0
|
400.6
|
1000.2
|
450.7
|
1125.2
|
911
|
1421
|
1617
|
型号
|
电 机
|
减速器
|
|||||||||||||
型号
|
功率
P/kW
|
转速
n/
r·min-1
|
转矩/N·m
|
公称传动比iN
|
|||||||||||
5
|
5.6
|
6.3
|
7.1
|
8
|
|||||||||||
额定
MH
|
启动
Mn
|
按电机转矩计算的输出转矩/N·m
|
|||||||||||||
MT
|
MQ
|
MT
|
MQ
|
MT
|
MQ
|
MT
|
MQ
|
MT
|
MQ
|
||||||
YGX132M111
|
YGAG132M1
|
1.7
|
830
|
19
|
48
|
91.2
|
230.4
|
102.1
|
258
|
114.9
|
290.3
|
129.5
|
327.2
|
145.9
|
368.6
|
YGX132M211
|
YGAG132M2
|
2.2
|
840
|
26
|
67
|
124.8
|
321.6
|
139.8
|
360
|
157.2
|
405.2
|
177.2
|
456.7
|
199.7
|
514.6
|
YGX132M121
|
YGAG132M1
|
1.7
|
830
|
19
|
48
|
91.2
|
230.4
|
102.1
|
258
|
114.9
|
290.3
|
129.5
|
327.2
|
145.9
|
368.6
|
YGX132M221
|
YGAG132M2
|
2.2
|
840
|
26
|
67
|
124.8
|
321.6
|
139.8
|
360
|
157.2
|
405.2
|
177.2
|
456.7
|
199.7
|
514.6
|
YGX160L141
|
YGAG160L1
|
4
|
600
|
60
|
150
|
288
|
720
|
822.6
|
806.4
|
362.9
|
907.2
|
408.9
|
1022.4
|
460.8
|
1152
|
YZX132M121
|
YZG132M1
|
2.2
|
908
|
23
|
57
|
110.4
|
273.6
|
123.6
|
306.4
|
139.1
|
344.7
|
156.7
|
388.5
|
176.6
|
437.8
|
YZX132M221
|
YZG132M2
|
3.7
|
915
|
38
|
96
|
182.4
|
460.8
|
204.3
|
516.1
|
229.8
|
580.6
|
259
|
654.3
|
291., 8<, /DIV>
|
7, 37.3
|
YZX160M141
|
YZG160M1
|
5.8
|
927
|
59
|
283.2
|
715.2
|
317.2
|
801
|
356.8
|
901.1
|
402
|
1015
|
453
|
1144
|
|
YGX132M122
|
YGAG132M1
|
1.7
|
830
|
19
|
48
|
—
|
—
|
—
|
—
|
—
|
—
|
—
|
—
|
—
|
—
|
YGX132M242
|
YGAG132M2
|
2.2
|
840
|
26
|
67
|
—
|
—
|
—
|
—
|
—
|
—
|
—
|
—
|
—
|
—
|
YGX160L152
|
YGAG160L1
|
4
|
600
|
60
|
150
|
—
|
—
|
—
|
—
|
—
|
—
|
—
|
—
|
—
|
—
|
YZX132M242
|
YZG132M2
|
3.7
|
915
|
38
|
96
|
—
|
—
|
—
|
—
|
—
|
—
|
—
|
—
|
—
|
—
|
YZX160M152
|
YZG160M1
|
5.8
|
927
|
59
|
149
|
—
|
—
|
—
|
—
|
—
|
—
|
—
|
—
|
—
|
—
|
型号
|
电 机
|
减速器
|
|||||||||||||
型号
|
功率
P/kW
|
转速
n/
r·min-1
|
转矩/N·m
|
公称传动比iN
|
|||||||||||
5
|
5.6
|
6.3
|
7.1
|
8
|
|||||||||||
额定
MH
|
启动
Mn
|
按电机转矩计算的输出转矩/N·m
|
|||||||||||||
MT
|
MQ
|
MT
|
MQ
|
MT
|
MQ
|
MT
|
MQ
|
MT
|
MQ
|
||||||
YGX132M111
|
YGAG132M1
|
1.7
|
830
|
19
|
48
|
164.2
|
414.7
|
182.4
|
460.8
|
204.3
|
516.1
|
228
|
576
|
—
|
—
|
YGX132M211
|
YGAG132M2
|
2.2
|
840
|
26
|
67
|
224.6
|
578.9
|
249.6
|
643.2
|
279.6
|
720.3
|
312
|
804
|
—
|
—
|
YGX132M121
|
YGAG132M1
|
1.7
|
830
|
19
|
48
|
164.2
|
414.7
|
182.4
|
460.8
|
204.3
|
516.1
|
228
|
576
|
—
|
—
|
YGX132M221
|
YGAG132M2
|
2.2
|
840
|
26
|
67
|
224.6
|
518.7
|
249.6
|
643.2
|
279.6
|
720.3
|
312
|
804
|
—
|
—
|
YGX160L141
|
YGAG160L1
|
4
|
600
|
60
|
150
|
518.4
|
1296
|
576
|
1440
|
645
|
1612.8
|
720
|
1800
|
—
|
—
|
YZX132M121
|
YZG132M1
|
2.2
|
908
|
23
|
57
|
198.7
|
492.5
|
220.8
|
547.2
|
247.3
|
612.8
|
276
|
684
|
—
|
—
|
YZX132M221
|
YZG132M2
|
3.7
|
915
|
38
|
96
|
328.3
|
809.4
|
364.8
|
921.6
|
408.5
|
1032
|
456
|
1152
|
—
|
—
|
YZX160M141
|
YZG160M1
|
5.8
|
927
|
59
|
149
|
509.7
|
1281
|
566.4
|
1430
|
634.3
|
1602
|
708
|
1788
|
—
|
—
|
YGX132M122
|
YGAG132M1
|
1.7
|
830
|
19
|
48
|
—
|
—
|
—
|
—
|
—
|
—
|
—
|
—
|
456
|
1152
|
YGX132M242
|
YGAG132M2
|
2.2
|
840
|
26
|
67
|
—
|
—
|
—
|
—
|
—
|
—
|
—
|
—
|
624
|
1608
|
YGX160L152
|
YGAG160L1
|
4
|
600
|
60
|
150
|
—
|
—
|
—
|
—
|
—
|
—
|
—
|
—
|
1440
|
3600
|
YZX132M242
|
YZG132M2
|
3.7
|
915
|
38
|
96
|
—
|
—
|
—
|
—
|
—
|
—
|
—
|
—
|
912
|
2304
|
YZX160M152
|
YZG160M1
|
5.8
|
927
|
59
|
149
|
—
|
—
|
—
|
—
|
—
|
—
|
—
|
—
|
1416
|
3576
|
型号
|
电 机
|
减速器
|
||||||||||||||
型号
|
功率
P/kW
|
转速
n/
r·min-1
|
转矩
/N·m
|
公称传动比iN
|
||||||||||||
28
|
31.5
|
40
|
5.6
|
6.3~8
|
9~10
|
11.2~12.5
|
25~40
|
|||||||||
额定
MH
|
启动
Mn
|
按电机转矩计算的输出转矩/N·m
|
按齿轮承载能力计算的
额定输出转矩M2/N·m
|
|||||||||||||
MT
|
MQ
|
MT
|
MQ
|
MT
|
MQ
|
|||||||||||
YGX132M111
|
YGAG132M1
|
1.7
|
830
|
19
|
48
|
—
|
—
|
—
|
—
|
—
|
—
|
735
|
607.6
|
421.4
|
313.6
|
—
|
YGX132M211
|
YGAG132M2
|
2.2
|
840
|
26
|
67
|
—
|
—
|
—
|
—
|
—
|
—
|
735
|
607.6
|
421.4
|
313.6
|
—
|
YGX132M121
|
YGAG132M1
|
1.7
|
830
|
19
|
48
|
—
|
—
|
—
|
—
|
—
|
—
|
1195.6
|
852.6
|
597.8
|
441
|
—
|
YGX132M221
|
YGAG132M2
|
2.2
|
840
|
26
|
67
|
—
|
—
|
—
|
—
|
—
|
—
|
1195.6
|
852.6
|
597.8
|
441
|
—
|
YGX160L141
|
YGAG160L1
|
4
|
600
|
60
|
150
|
—
|
—
|
—
|
—
|
—
|
—
|
2293.2
|
1675.8
|
1166.2
|
882
|
—
|
YZX132M121
|
YZG132M1
|
2.2
|
908
|
23
|
57
|
—
|
—
|
—
|
—
|
—
|
—
|
1195.6
|
852.6
|
597.8
|
441
|
—
|
YZX132M221
|
YZG132M2
|
3.7
|
915
|
38
|
96
|
—
|
—
|
—
|
—
|
—
|
—
|
1195.6
|
852.6
|
597.8
|
441
|
—
|
YZX160M141
|
YZG160M1
|
5.8
|
927
|
59
|
149
|
—
|
—
|
—
|
—
|
—
|
—
|
2293.2
|
1675.8
|
1166.2
|
882
|
—
|
YGX132M122
|
YGAG132M1
|
1.7
|
830
|
19
|
48
|
510.7
|
1290
|
574.6
|
1451.5
|
729.0
|
1843
|
—
|
—
|
—
|
—
|
1568
|
YGX132M242
|
YGAG132M2
|
2.2
|
840
|
26
|
67
|
698.9
|
1801
|
786.2
|
2026
|
998.4
|
2572.8
|
—
|
—
|
—
|
—
|
2940
|
YGX160L152
|
YGAG160L1
|
4
|
600
|
60
|
150
|
1612.9
|
4032
|
1814.4
|
4536
|
2304
|
5760
|
—
|
—
|
—
|
—
|
4312
|
YZX132M242
|
YZG132M2
|
3.7
|
915
|
38
|
96
|
1021.4
|
2580
|
1149.1
|
2903
|
1459.2
|
3686
|
—
|
—
|
—
|
—
|
2940
|
YZX160M152
|
YZG160M1
|
5.8
|
927
|
59
|
149
|
1585
|
4005
|
1784
|
4505.7
|
2265
|
5721.6
|
—
|
—
|
—
|
—
|
4312
|
注:表中MH—额定转矩,N·m;Mn—启动转矩N·m。
辊道电机减速器实际传动比
| 公称传动比iN型号规格 | 1.4
|
1.6
|
1.8
|
2
|
2.24
|
2.5
|
2.8
|
3.15
|
3.55
|
4
|
4.5
|
5
|
YZD112M107
|
1.400
|
1.565
|
1.810
|
1.950
|
2.278
|
2.471
|
2.75
|
3.111
|
||||
YZD132M110
|
1.407
|
1.600
|
1.826
|
1.955
|
2.250
|
2.474
|
2.810
|
3.105
|
||||
YZD132M210
|
||||||||||||
YGL132M117
|
1.400
|
1.565
|
1.810
|
2.043
|
2.296
|
2.567
|
2.736
|
3.059
|
3.537
|
3.953
|
4.419
|
5.109
|
YGL132M217
|
||||||||||||
YZL132M117
|
||||||||||||
YZL132M217
|
||||||||||||
YGL160L127
|
1.393
|
1.626
|
1.818
|
2.097
|
2.265
|
2.468
|
2.848
|
3.075
|
3.494
|
4.081
|
4.427
|
4.815
|
YGL180L127
|
||||||||||||
YGL160M127
|
||||||||||||
YZL160M227
|
||||||||||||
YGX132M111
|
4.95
|
|||||||||||
YGX132M211
|
||||||||||||
YGX132M121
|
4.95
|
|||||||||||
YGX132M221
|
||||||||||||
YZX132M121
|
||||||||||||
YZX132M221
|
||||||||||||
YGX160L141
|
5.000
|
|||||||||||
YZX160M141
|
||||||||||||
YGX132M122
|
||||||||||||
YGX132M222
|
||||||||||||
YZX132M222
|
||||||||||||
YGX160L152
|
,
5.6
|
6.3
|
7.1
|
8
|
9
|
10
|
11.2
|
12.5
|
25
|
28
|
31.5
|
35.5
|
40
|
5.365
|
6.207
|
|||||||||||
5.497
|
6.000
|
|||||||||||
5.526
|
6.176
|
7.000
|
8.077
|
8.839
|
9.938
|
11.36
|
12.23
|
|||||
5.526
|
6.176
|
7.000
|
8.077
|
9.198
|
9.800
|
11.31
|
12.25
|
|||||
5.500
|
6.188
|
7.071
|
8.250
|
8.833
|
9.938
|
11.36
|
12.23
|
|||||
24.50
|
27.56
|
30.57
|
34.65
|
39.92
|
||||||||
25.00
|
27.50
|
30.94
|
35.36
|
41.25
|
||||||||
| , , |
25.50
|
28.05
|
31.56
|
36.06
|
42.08
|
|||||||
新标准(JB/T 5562一1991)与旧标准(JB/ZQ4003一1983)辊道电机减速器型号对照见下表。
辊道电机减速器
|
电机
|
||
新标准
JB/T 5562一1991
|
旧标准
JB/ZQ 4003一1983
|
新标准
JB/T 5562一1991
|
旧标准
JB/ZQ 4003一1983
|
YZD 112 M107
|
GD3107
|
YZG 112 M1
|
JG 231-6
|
YZD 132 M110
|
JD 1110;GD 4110
|
YZG 132 M1
|
JZ 211-6;JG 241-6
|
YZD 132 M210
|
JD 1210;GD 4210
|
YZG 132 M2
|
JZ 212-6;JG 242-6
|
YGL 132 M117
|
GL 4117
|
YGAG 132 M1
|
JG 241-6
|
YGL 132 M217
|
GL 4217
|
YGAG 132 M2
|
JG 242-6
|
YGL 160 L127
|
GL 5127
|
YGAG 160 L1
|
JG 251-8
|
YGL 180 L127
|
GL 5227
|
YGAG 180 L1
|
JG 252-8
|
YZL 132 M117
|
JL 1117
|
YZG 132 M1
|
JZ 211-6
|
YZL 132 M217
|
JL 1217
|
YZG 132 M2
|
JZ 212-6
|
YZL 160 M127
|
JL 2127
|
YZG 160 M1
|
JZ 221-6
|
YZL 160 M227
|
JL 2227
|
YZG 160 M2
|
JZ 222-6
|
YGX 132M111
|
GX 4111
|
YGAG 132 M1
|
JG 241-6
|
YGX 132 M211
|
GX 4211
|
YGAG 132 M2
|
JG 242-6
|
YGX 132 M121
|
GX 4121
|
YGAG 132 M1
|
JG241-6
|
YGX 132 M221
|
GX 4221
|
YGAG 132 M2
|
JG 242-6
|
YGX 160 L141
|
GX 5141
|
YGAG 160 L1
|
JG 251-8
|
YZX 132 M121
|
JX 1121
|
YZG 132 M1
|
JZ211-6
|
YZX 132 M221
|
JX 1221
|
YZG 132 M2
|
JZ212-6
|
YZX 160 M141
|
JX 2141
|
YZG 160 M1
|
JZ 221-6
|
YGX 132 M122
|
GX 4122
|
YGAG 132 M1
|
JG 241-6
|
YGX 132 M242
|
GX 4242
|
YGAG 132 M2
|
JG 242-6
|
YGX 160 L152
|
GX 5152
|
YGAG 160 L1
|
JG 251-8
|
YZX 132 M242
|
JX 1242
|
YZG 132 M2
|
JZ 212-6
|
YZX 160 M152
|
JX 2152
|
YZG 160 M1
|
JZ221-6
|









![]() |






